广州乐思体育有限公司
联系人:雷先生
手 机:88888888099
电 话:88888888
传 真:88888888
Q Q:888888881
网 址:
邮 箱:
地 址:广州开发区青年路9号
量程范围 :1t、2t、3t、5t、10t、20t、25t、
功能特点:传感器弹性体采用合金钢或者不锈钢材质;胶密封处理 ,表面镀镍,防水,防腐蚀,防护等级达到IP66。
应用范围: 广泛应用于工业过程力的控制、配料控制系统及检测设备等各种称重测力设备。
技术指标明细: | ||
精度等级 : C1 | 灵敏度温度影响(%F.S/10℃): ±0.03 | |
综合误差(%F.S) : ±0.03 | 零点温度影响(%F.S/10℃) : ±0.05 | |
灵敏度(mv/v) : 2.0±0.008 | 温度补偿范围(℃ ) : -10~+40 | |
蠕变(%F.S/30min) : ±0.03 | 使用温度影响(℃ ) : -20~+55 | |
零点输出(%F.S) : ±1.0 | 激励电压(V) : 9~12(DC) | |
输入阻抗(Ω) : 700±10 | 安全过载范围 (%F.S) : 150 | |
输出阻抗(Ω) : 700±5 | 极限过载范围 (%F.S) : 200 | |
绝缘电阻(MΩ) : ≥5000(100VDC) | 防护等级 : IP66 | |
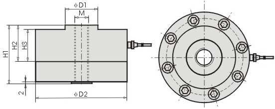
安装尺寸规格图 (单位mm):
量程(t) | 5 | 10 | 20 | 50 | 100 |
H1 | 67 | 80 | 85 | ||
H2 | 46 | 53.8 | 53.8 | ||
H3 | 34 | 41 | 47 | ||
M | M16×1.5 | M32×1.5 | M32×1.5 | ||
D1 | 32 | 41 | 41 | ||
D2 | 105 | 121 | 121 | ||
接线方式:
红线: 激励 ( +) 111 绿线: 信号 ( +)
黑线: 激励 ( -) 111 白线: 信号 ( -)
备注:采用四芯屏蔽电缆,规格:φ5×3000mm,如有特殊需要,可根据客户要求提供!
受力示意图:
