广州乐思体育有限公司
联系人:雷先生
手 机:88888888099
电 话:88888888
传 真:88888888
Q Q:888888881
网 址:
邮 箱:
地 址:广州开发区青年路9号
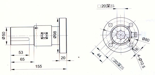
JTNJ-22A 静态扭矩传感器
◆ 特性与应用 · 电阻应变为敏感元件和集成电路构成的一体产品,精度高,性能稳定可靠,测量范围广。 · 大量程扭矩测量,安装使用方便。
|
◆技术参数
测量范围 :0~100,200,300,500,1000Nm
输出灵敏度:1.0~2.0 mV/V
综合精度:±0.1; ±0.3; ±0.5%F.S(线性+重复性+滞后)
工作温度:-35~+80℃
温度补偿范围:20~+60℃
零点温度影响:±0.1%F.S/10 ℃
激励电压:12 VDC
响应频率:100μS
绝缘电阻:2000 MΩ/100VDC
输入电阻:700±10/350±10Ω
输出电阻:700±5/350±5Ω
零点输出:0~±1%F.S
安全过载:120%F.S
材质:合金钢
电气连接方式: 输入(电源+):1-红 输出信号+:2-黄
输出信号- : 3-白 输入(电源-):4-绿
◆外形尺寸
