产品详细
    分享到:
    点击次数:2561  更新时间:2015-07-27   【打印此页】  【关闭

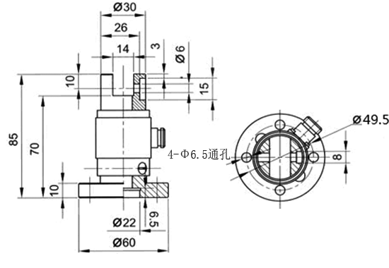
    JTNJ-11 B静态扭矩传感器

      特性与应用

    · 电阻应变为敏感元件和集成电路构成的一体产品,精度高,性能稳定可靠。

    · 低量程扭矩测量,安装使用方便。
    · 一端为键连接,一端为法兰盘连接。

    · 适用于静态扭矩测量。

    · 扭矩传感器采用德国技术和生产设备及先进的检测设备。

     

    ◆技术参数

    测量范围 00.5,1,2,5,10,20,30Nm

    输出灵敏度:1.02.0 mV/V

    综合精度:±0.1; ±0.3; ±0.5%F.S(线性+重复性+滞后)

    工作温度:-35+80

    温度补偿范围:20+60

    零点温度影响:±0.1%F.S/10

    激励电压:12 VDC

    响应频率:100μS

    绝缘电阻:2000 MΩ/100VDC

    输入电阻:700±10/350±10Ω

    输出电阻:700±5/350±5Ω

    零点输出:0±1%F.S

    安全过载:120%F.S

    材质:合金钢

    电气连接方式:  输入(电源+):1-红  输出信号+:2-黄

                      输出信号- :  3-白     输入(电源-):4-绿

    ◆外形尺寸图

            

    窗体底端

上一条:JTNJ--11    下一条 :JTNJ-17A
友情链接:百度  |  google  |  新浪微博

Copyright © 2015-2016  广州乐思体育有限公司   备案号:****

联系人:雷先生 88888888099  电 话:88888888  66666666

广州网站建设骏域网站建设专家   电脑版 | 手机版