广州乐思体育有限公司
联系人:雷先生
手 机:88888888099
电 话:88888888
传 真:88888888
Q Q:888888881
网 址:
邮 箱:
地 址:广州开发区青年路9号
PT123B高温熔体压力变送器,可以实现压力温度同点测量。4-20mA放大信号输出,可以直接进 PLC控制面板,应用于常规条件下的高温熔体、流体、气体的压力测量与控制领域。广泛应用于石油化工、化纤纺机、无纺布、非织造布、塑料、橡胶、挤出设备等行业。具有准确度高、稳定性好、输出信号大、动态性佳、通用性强等优点。比如过程控制设备中的塑料聚合物等。该系列产品加装了自动调零装置,可实现一键清零功能,通过使用变送器顶端的按键,即可实现自动调零及修正。从而可以减少人力损耗,节省操作时间以及减少昂贵设备的使用。与我公司的智能数显仪表配套可实现对系统压力显示报警或控制。也称之为:锅炉压力传感器,蒸汽压力传感器,熔体压力传感器/变送器,塑料机压力传感器, 塑料机压力测控传感器,塑料机压力控制仪器,经济型高温熔体压力传感器,经济型高温熔体压力传感器。
特点:
技术规格:
压力量程:0-3.5MPa ~ 0-150MPa
准确度:±0.25% FS 、±0.5% FS(默认);
输出信号:4-20mA ; 0~10V
输入电压:24VDC
膜片温度:350℃(最高400℃)
膜片材料:带涂层的不锈钢
电气连接:六芯军用航空插件
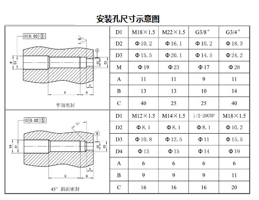
过程连接:1/2-20UNF,M14*1.5,M18*1.5,M22*1.5,G3/4(可选)

